400-006-5606
三科足跡,書寫新篇章

熱搜關鍵詞: 變頻器選型 輕矢量變頻器 變頻器哪個品牌的好 風機水泵專用型變頻器 三相變頻器

倍捻機是如何應用變頻器改善生產效率?

近年來,倍捻機在生產效率、機械結構、數量和自動化方面發展迅速。一般情況下,機器在整理一些紗線后,需要根據不同的加工要求調整速度;本文以倍捻機變頻器為例,介紹了倍捻機變頻電氣控制系統的特點。

1導言

Dingtalk_20210816170420

Dingtalk_20210816170544

倍捻機由動力部分、倍捻機和傳動部分組成,傳動部分是紡織機械設備之一。

(1)動力部分:電機、控制箱、指示燈、操作面板。

(2)倍捻機組:錠子制動裝置、倍捻機的紗線卷繞裝置、倍捻機組專用裝置等。

主機結構和功能:

①主軸制動裝置:主要包括主軸傳動帶、皮帶輪和主軸制動踏板。

②倍捻機錠子部分:主要包括錠子盤、錠子槽、紗線張力裝置、脫紗器、氣囊蓋、分離器、導紗鉤、擋紗器和落紗鉤等。

③紗線卷繞裝置:斜輥、過喂輥、儲紗裝置、橫向導向鉤、筒管、提升筒子架和筒管托盤等。

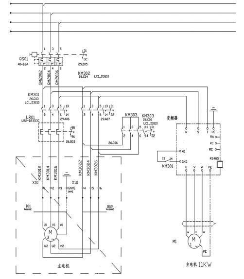
SKI600在倍捻機中的應用

由于生產過程中的需要,要求電驅動系統更加穩定可靠。作為系統的核心設備,其控制性能、穩定性和可靠性都需要經過嚴格的測試。

本文以SKI600在倍捻機中的應用為例,闡述了倍捻機電氣控制系統的特點。

2.控制系統

20160729115005457_w

操縱系統


變頻器采用變頻控制,一臺變頻器驅動兩臺電機,兩臺電機不同步。最初,接觸器或星形三角形控制正向和反向旋轉,但現在可以通過變頻器來控制旋轉。

23232

星形三角啟動時,可能會因轉速不穩定、啟動電流巨大而損壞紗線,但變頻器啟動后,啟動后的加速和運行更加穩定。


       設置參數

20160729115018113_w

3.結論

Dingtalk_20210608172359

SKI600系列倍捻機變頻器的高穩定性和可靠性,保證了電力系統的穩定性和可靠性,提高了整套裝置的價值。

案例展示 / Hot CASE

江蘇某金屬制品變頻器節能改造案例!

江蘇某金屬制品變頻器節能改造案例!

三科針對此次江蘇某金屬制品變頻器節能改造案例除了采用變頻調速讓電機達到理想工作轉速外,在提高球磨機的研磨效率所取得的節能效果也很好。由于球磨機在設計時,都考慮到保證電動機的最大輸出轉矩,而實際生產過程中,往往達不到最大輸出轉矩,電動機處于輕載(不滿載)工作狀態,其功率因數和效率都較低。這時可通......
數控機床變頻器在河南數控設備中的應用案例!

數控機床變頻器在河南數控設備中的應用案例!

變頻器的運行命令是由數控系列發出運行指令,一個正轉命令FWD(S1輸入),一個反轉命令REV(S2輸入)。頻率信號是由數控系統輸出轉速信號S(0~10VDC),從變頻器AI2端子輸入頻率指令即可改變頻器的頻率,從而改變電機的轉速。變頻器輸出故障信號(R1A,R1C)到數控系統,變頻器報故障代碼時,使機床控制系統停止工作。
SKI600系列變頻器在杭州臨安某機械設備生產企業中的應用案例!

SKI600系列變頻器在杭州臨安某機械設備生產企業中的應用案例!

三科針對杭州臨安某地機械設備生產企業設計了SKI600系列變頻器在臥式木工帶鋸機上的應用所采取的設備加工工藝及控制方案:其工作過程為跑車工作臺以一定的速度運行一段距離,此速度通常是慢速行進,由PLC給變頻器啟動和多段速信號,變頻器帶動跑車工作臺電機以低速行進;當鋸條進至木頭大概5公分左右的位置后,PLC.....
杭州某鋼筋調直機廠節能變頻器改造案例!

杭州某鋼筋調直機廠節能變頻器改造案例!

三科針對此次杭州某鋼筋調直機廠節能變頻器改造案例中提出以下三個結論:1,降低設備啟動電流,讓電網電壓更穩定,大大緩解了電源容量緊張傳統鋼筋調直機無變頻器啟動時的電流等于(4-7)倍額定電流,這樣會對機電設備和供電電網造成嚴重的沖擊,而且還會對電網容量要求過高。變頻器具有上電電機檢測、輸入輸出缺相保護......

咨詢熱線

400-006-5606