400-006-5606
三科足跡,書寫新篇章

熱搜關鍵詞: 變頻器選型 輕矢量變頻器 變頻器哪個品牌的好 風機水泵專用型變頻器 三相變頻器

高溫高壓染色機采用三科變頻器的應用

高溫高壓染色機是紡織印染行業最常用的布匹染色機之一。在高溫高壓之下,以水為介質,通過溢流將染料附著并固化在布纖維之上,染色流量可無級控制。傳統的高溫染色機在低流量時,會造成染色和壓布不均勻,互換性差,生產效率低,染色質量差,浪費能源

Dingtalk_20210730171245

隨著變頻控制技術的發展,流量和壓差的變頻控制在印染行業得到了廣泛的應用。使用變頻器之后,上述問題很容易解決。染色機變頻節能改造也成為降低能耗成本、提高染整行業產品競爭力的最有效途徑,這對減少能源浪費具有重要意義

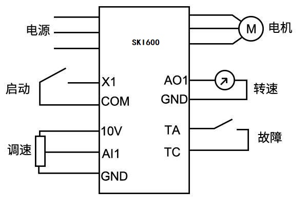
工作原理

本方案采用SKI600系列變頻器控制染色機的循環泵:這部分主要是保證染色機的染液和織物運行功率。染色機在整個染色過程之中是密封的,所以整個染色液的操作是通過染色機的循環系統來完成的。循環系統主要由循環泵、溢流口、溢流管、浸漬罐、冷換熱器等組成。循環泵將從浸泡槽的假底部泵出染料溶液,并將其輸送至冷換熱器。染料溶液經交換器送至溢流口,再經溢流口送至溢流管,再經溢流管進入均熱罐。這個循環一直持續到染色過程結束,織物從圓筒之中出來

Dingtalk_20210701170358

接線圖

0b5d864901454fbd974ad279ae127228_w

參數設置

c96bbc1b28df455f9b67149af16a4bf2_w_17C$UP7K

SKI600應用優勢

Dingtalk_20210505170042

(1)同步精度高,提高了設備的控制精度,改善了生產過程



(2)寬調速范圍,滿足客戶不同過程的控制要求

(3)完善的保護功能,確保整個系統長期可靠運行

(4)協助節能改造,大幅降低能耗,比普通異步電動機節電20%超過。

(5)采用SKI600系列染色機變頻器后,電機溫升明顯降低,泵力更強




案例展示 / Hot CASE

江蘇某金屬制品變頻器節能改造案例!

江蘇某金屬制品變頻器節能改造案例!

三科針對此次江蘇某金屬制品變頻器節能改造案例除了采用變頻調速讓電機達到理想工作轉速外,在提高球磨機的研磨效率所取得的節能效果也很好。由于球磨機在設計時,都考慮到保證電動機的最大輸出轉矩,而實際生產過程中,往往達不到最大輸出轉矩,電動機處于輕載(不滿載)工作狀態,其功率因數和效率都較低。這時可通......
數控機床變頻器在河南數控設備中的應用案例!

數控機床變頻器在河南數控設備中的應用案例!

變頻器的運行命令是由數控系列發出運行指令,一個正轉命令FWD(S1輸入),一個反轉命令REV(S2輸入)。頻率信號是由數控系統輸出轉速信號S(0~10VDC),從變頻器AI2端子輸入頻率指令即可改變頻器的頻率,從而改變電機的轉速。變頻器輸出故障信號(R1A,R1C)到數控系統,變頻器報故障代碼時,使機床控制系統停止工作。
SKI600系列變頻器在杭州臨安某機械設備生產企業中的應用案例!

SKI600系列變頻器在杭州臨安某機械設備生產企業中的應用案例!

三科針對杭州臨安某地機械設備生產企業設計了SKI600系列變頻器在臥式木工帶鋸機上的應用所采取的設備加工工藝及控制方案:其工作過程為跑車工作臺以一定的速度運行一段距離,此速度通常是慢速行進,由PLC給變頻器啟動和多段速信號,變頻器帶動跑車工作臺電機以低速行進;當鋸條進至木頭大概5公分左右的位置后,PLC.....
杭州某鋼筋調直機廠節能變頻器改造案例!

杭州某鋼筋調直機廠節能變頻器改造案例!

三科針對此次杭州某鋼筋調直機廠節能變頻器改造案例中提出以下三個結論:1,降低設備啟動電流,讓電網電壓更穩定,大大緩解了電源容量緊張傳統鋼筋調直機無變頻器啟動時的電流等于(4-7)倍額定電流,這樣會對機電設備和供電電網造成嚴重的沖擊,而且還會對電網容量要求過高。變頻器具有上電電機檢測、輸入輸出缺相保護......

咨詢熱線

400-006-5606