400-006-5606
三科足跡,書寫新篇章

熱搜關鍵詞: 變頻器選型 輕矢量變頻器 變頻器哪個品牌的好 風機水泵專用型變頻器 三相變頻器

空壓機應用變頻器的好處有哪些?

在全球倡導高效節能環保的大趨勢下,符合這一新理念的新型有效的機械設備控制系統必將成為未來的主導因素。在螺桿空壓機永磁異步電機的雙重作用下,變頻器可節能30%以上,具有很好的使用和推廣價值。

Dingtalk_20210821172133

一.控制要求

本文僅舉例說明SKI600系列通用重型變頻器在公司空壓機中的應用,具體控制要求如下:

該系統需要一臺37kW變頻器來控制主電機,對變頻器和控制的要求主要包括:

(1)節能,變頻螺桿式空壓機比普通空壓機節能30%左右。

(2)運行成本降低,電機節能,對電機影響小,使用壽命長。

(3)變頻螺桿機精確的壓力控制精度。保持壓力在一定范圍內。

(4)隨著變頻螺桿式空氣壓縮機的應用,底盤的平均噪聲低于一般空氣壓縮機。

(5)變頻螺桿式電機變頻器的運行可以減少機組啟動時電流的波動,減少對電網的影響。(6)適應空壓機的風量調節。變頻器低速達到參考頻率。

變頻螺桿式空氣壓縮機所需壓力的偏差值始終為0.1bar,供氣恒壓相對穩定;用氣量大時,壓力不變,轉速自動補償,保證供氣需要;當用氣量小時,壓力保持不變,轉速自動降低,只需滿足足夠的用氣量即可。因此,它具有上述優點。

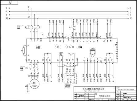
二、系統接線及調試

整個系統由兩部分組成,一是空壓機操作界面系統;另一個是空壓機變頻器的參數設置系統。調試前,確認變頻器和空壓機操作界面的參數設置是否正確。啟動時,低速啟動變頻器,逐漸提高轉速,觀察空壓機的振動和電流的穩定性。逐漸提速降速,反復幾次。沒有問題后,電機完全停止后,測試電機的電壓和電流是否為零。

SKI600jxt

1.系統調試

主要包括以下技術要點:

(1)電機參數的自學習,高速時對電機參數的精度要求很高。

(2)普通旋轉調試,主要在高速區間,保證電流穩定,電壓不會下降。

(3)驗證變頻器對空壓機的保護在電網瞬間跌落、意外停電的情況下,一般先低速驗證,再高速運行。

2.調試步驟如下

(1)將變頻器恢復到出廠設置,并確認電機結構、電機電流和電機轉速參數。

(2)確認加速、減速、電機頻率上限、最大輸出頻率、最小輸出頻率、停止頻率等參數。

(3)確認空載過長停機時間、睡眠保持時間、空載頻率風機啟動溫度、風機停止溫度等參數。

(4)輸入電機參數和自學習。盡可能注重靜態的自我學習。畢竟速度太高了。

(5)先低速旋轉,逐漸提高轉速。用鉗形萬用表測試電機三相電流是否平衡,用萬用表測試電機三相電壓是否平衡,用示波器觀察電流波形。

(6)設置特殊功能參數,在電源斷相和斷電情況下保護電機功能。

(7)當設定氣壓值達到上限值時,電機應由高速轉低速運行,當氣壓達到下限值時,電機再次開始高速運行,進行加載操作和升壓等。

(8)高速按下停止按鈕時,不應立即停止電機,而應延時120S,這樣才能有效保證電機和變頻器的使用壽命。

(9)長時間觀察系統的穩定性,用紅外測溫槍測試電機表面溫度。

三、SKI600系列變頻器介紹

O1CN01HD7bGH1JwdTugP4cG_!!296973

該系列變頻器具有速度開環控制、過程閉環控制、電機自學習、電機預勵磁、自動轉差補償、自動負荷補償、自動穩壓、多點V/F曲線、加減速曲線、DC制動、交流制動、限速、限流、限矩、頻率跟蹤啟動、自動復位和重啟等基本功能;點動控制、外置多速控制、簡易PLC(包括順序控制和并聯控制)、機械制動控制、UP/DOWN功能、相對增減、相對比例設定、計數器、定時器和內置PID控制器應用功能;電源斷相保護、欠壓保護、過壓保護、過流保護、過載保護、輸出斷相保護、輸出短路保護、輸出接地保護、過熱保護、信號斷線、AMA故障、CPU故障、按鈕禁用、復制故障、LCP通信錯誤、參數只讀、數值超范圍,運行時不能執行保護功能。

技術特點如下:


(1)頻率設置方式包括:數字設置、模擬設置、脈沖頻率設置、串行通信設置、多速簡易PLC設置、PID設置等。,可以實現設置組合和模式切換。

(2)電機參數自學習準確,調試方便,操作簡單,控制精度和響應速度更高。

(3)良好的電壓電流控制可以有效減少變頻器的保護次數。

(4)提供多種制動方式,可快速停車。

(5)整機超溫點較高,更適合紡織行業環境溫度較高的場合。

(6)速度跟蹤再次發揮作用,實現對旋轉電機的平穩無沖擊效果。

(7)自動電壓調節功能:當電網電壓發生變化時,可自動保持輸出電壓恒定。

(8)提供多種故障保護功能:過流、過壓、欠壓、過溫、缺相、過載。

四、結語

變頻空壓機的科學使用可以給企業帶來節能降耗的經濟效益和生產效益,所以無論是更換舊設備還是設計新設備,都要適應社會和技術的發展。對于大功率、高轉速的永磁同步電機來說,驅動要求非常高,因此在這方面采用變頻的技術優勢將大有用武之地。

案例展示 / Hot CASE

江蘇某金屬制品變頻器節能改造案例!

江蘇某金屬制品變頻器節能改造案例!

三科針對此次江蘇某金屬制品變頻器節能改造案例除了采用變頻調速讓電機達到理想工作轉速外,在提高球磨機的研磨效率所取得的節能效果也很好。由于球磨機在設計時,都考慮到保證電動機的最大輸出轉矩,而實際生產過程中,往往達不到最大輸出轉矩,電動機處于輕載(不滿載)工作狀態,其功率因數和效率都較低。這時可通......
數控機床變頻器在河南數控設備中的應用案例!

數控機床變頻器在河南數控設備中的應用案例!

變頻器的運行命令是由數控系列發出運行指令,一個正轉命令FWD(S1輸入),一個反轉命令REV(S2輸入)。頻率信號是由數控系統輸出轉速信號S(0~10VDC),從變頻器AI2端子輸入頻率指令即可改變頻器的頻率,從而改變電機的轉速。變頻器輸出故障信號(R1A,R1C)到數控系統,變頻器報故障代碼時,使機床控制系統停止工作。
SKI600系列變頻器在杭州臨安某機械設備生產企業中的應用案例!

SKI600系列變頻器在杭州臨安某機械設備生產企業中的應用案例!

三科針對杭州臨安某地機械設備生產企業設計了SKI600系列變頻器在臥式木工帶鋸機上的應用所采取的設備加工工藝及控制方案:其工作過程為跑車工作臺以一定的速度運行一段距離,此速度通常是慢速行進,由PLC給變頻器啟動和多段速信號,變頻器帶動跑車工作臺電機以低速行進;當鋸條進至木頭大概5公分左右的位置后,PLC.....
杭州某鋼筋調直機廠節能變頻器改造案例!

杭州某鋼筋調直機廠節能變頻器改造案例!

三科針對此次杭州某鋼筋調直機廠節能變頻器改造案例中提出以下三個結論:1,降低設備啟動電流,讓電網電壓更穩定,大大緩解了電源容量緊張傳統鋼筋調直機無變頻器啟動時的電流等于(4-7)倍額定電流,這樣會對機電設備和供電電網造成嚴重的沖擊,而且還會對電網容量要求過高。變頻器具有上電電機檢測、輸入輸出缺相保護......

咨詢熱線

400-006-5606